Quality Control & Reliability Testing
To guarantee consistent performance of the EPL 0S/1S sockets, LINKHIVE applies strict quality and durability testing at every stage:
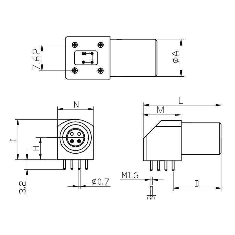
Dimensional Accuracy of brass plug sockets:
All molded components are measured with high-precision tools to ensure perfect fit and contact alignment on PCBs.
Contact Integrity:
Gold-plated contacts are tested for conductivity, durability, and resistance to oxidation or solder cracking.
Push-Pull Life Cycle Test:
Each socket is validated to withstand over 5000 mating/unmating cycles under rated load without performance loss.
Vibration & Shock Resistance:
Sockets are subjected to vibration tests (15g @ 10–2000Hz) and shock tests (100g / 6ms) to simulate harsh operational environments.
Salt Spray & Humidity:
Connector surfaces are tested for up to 96 hours salt spray and 95% humidity at 60°C to verify anti-corrosion capacity.
PCB Retention Strength:
The socket’s PCB legs and body undergo torque and shear testing to ensure durability after soldering.
Elbow socket Model Selection Table
S Series EPL 0S 1S half moon socket quick disconnect circular brass plug sockets Overview
The table below is the selection guide for LINKHIVE’s EPL serie shalf moon socket quick disconnect circular brass plug sockets (Model range: EPL 00S to EPL 1S). It includes dimensional details, electrical specifications, and compatible cable sizes to help customers quickly choose the right model for their application.
| S Series ZPL 0S 1S Quick Disconnect Circular brass plug sockets |
| S Series - circular sealed socket with stepped insert
| S Series - circular sealed socket with stepped insert
| S Series - circular sealed socket with stepped insert
| S series - circular sealed socket with stepped insert
| S Series - circular sealed socket with stepped insert
| S Series - circular sealed socket with stepped insert
| S series - circular sealed socket with stepped insert
|
Mode | ZPL.0S.302.HLN.22 | ZPL.0S.303.HLN.32 | ZPL.0S.304.HLN.42 | ZPL.1S.302.HLN.32 | ZPL.1S.303.HLN.42 | ZPL.1S.304.HLN.52 | ZPL.1S.305.HLN.62 |
Inserts |  | 
| 
| 
| 
| 
| 
|
| half moon socket | half moon socket | half moon socket | half moon socket | half moon socket | half moon socket | half moon socket |
Contacts | 2 | 3 | 4 | 2 | 3 | 4 | 5 |
Contact Ø | 0.9 mm | 0.7 mm | 0.7 mm | .9 mm | 0.7 mm | 0.9 mm | 0.9 / 0.7 mm |
Cable Ø | 2.2 mm | 3.2 mm | 4.2 mm | 3.2 mm | 4.2 mm | 5.2 mm | 6.2 mm |
Desccription | S Series circular plug socket with stepped insert | Circular plug socket with stepped insert | S Series half moon socket circular socket | 1S Series circular plug socket with stepped insert | Circular plug socket with stepped insert | 1S Series quick disconnect half moon socket | Circular plug socket with stepped insert |
Application | compact circuits and circular socket solutions. | instrumentation and socket with stepped insert layouts. | quick half moon socket type for modular circuit designs. | compact circular solution for low-profile PCBs. | fits tight-space boards and multi-signal paths. | 4 contacts Ø0.9 mm, for fast swapping and flexible board use. | suitable for hybrid PCB configurations. |
