Products

Featured products

Mil Spec Amc Series Y G8 0Y/1Y/AY/2Y receptacle

  • Mil Spec Amc Series Y G8 0Y/1Y/AY/2Y receptacle
  • Mil Spec Amc Series Y G8 0Y/1Y/AY/2Y receptacle
  • Mil Spec Amc Series Y G8 0Y/1Y/AY/2Y receptacle
  • video
  • LINKHIVE
  • CHINA
  • 2 WEEKS
  • Ample Stock
LINKHIVE Low-profile G8 receptacle with rear panel installation, designed as a mil-spec replacement for AMC. Features secure push pull circular locking and is intermateable with AMC for mission-critical defense and communication systems. Widely used in rugged portable devices with high-volume production and fast delivery from stock.


What is Mil Spec AMC Series Y G8 ZEA Receptacle – 0Y / 1Y / AY / 2Y?


The Mil Spec AMC Series Y G8 Receptacle – including variants 0Y / 1Y / AY / 2Y – is a rugged, low-profile push pull circular connector designed as a cost-effective and high-performance replacement for the  AMC series.

 Key Features:

  • G8 receptacle format with rear panel installation

  • Fully intermateable with AMC connectors

  • Secure push pull locking mechanism

  • Low-profile design optimized for compact equipment

  • Available in multiple configurations: 0Y, 1Y, AY, 2Y

  • Customizable easy-to-clean POGO-PIN.

  • G8 receptacle up to IP68

G8 receptacle





Mil Spec AMC Series Y G8 Receptacle Application Scenarios:

  • Soldier-worn communication devices

  • Military handheld radios & tactical routers

  • UAV control modules

  • Ruggedized power and signal interfaces

     Defense and security-grade electronic enclosures




G8 push pull circular connector Performance Advantages:

Optional IP68 waterproof sealing

Strong resistance to shock, vibration, and EMI

Lightweight aluminum alloy housing with conductive plating

Stable mating cycles for high-reliability usage

Compatible with field-replaceable equipment upgrades



AMC Y SERIES SELECTION

Series
LockingDescription
Application
AMC Y SERIES S1Miniature receptacle
Push-pull connectorCompact push-pull circular connector with high-contact reliability for advanced communication devicesUsed in handheld radios, portable communication systems, and lightweight terminals
AMC Y SERIES A1AMC Series Y
Break-away connectorRugged break-away connector designed for military-grade communication and field operationsIdeal for tactical communication devices and mission-critical equipment
AMC Y SERIES GKG8 receptacle
Waterproof socketIP68-rated waterproof circular socket for reliable outdoor and harsh-environment communicationsSuitable for outdoor military communication stations and ruggedized networks
AMC Y SERIES G8Miniature receptacle
Waterproof socketHigh-performance watertight socket for armored vehicles and defense-grade systemsDeployed in armored vehicles, defense electronics, and rugged field systems
AMC Y SERIES K1AMC Series Y
In-line receptacleCompact inline receptacle offering improved EMI shielding for mobile command applicationsFor mobile field instruments, command centers, and portable networks
AMC Y SERIES GWG8 receptacle
Panel connectorPanel-mounted circular metal connector ensuring secure and stable fixed installationsUsed in base stations, fixed network infrastructure, and communication racks




Miniature receptacle


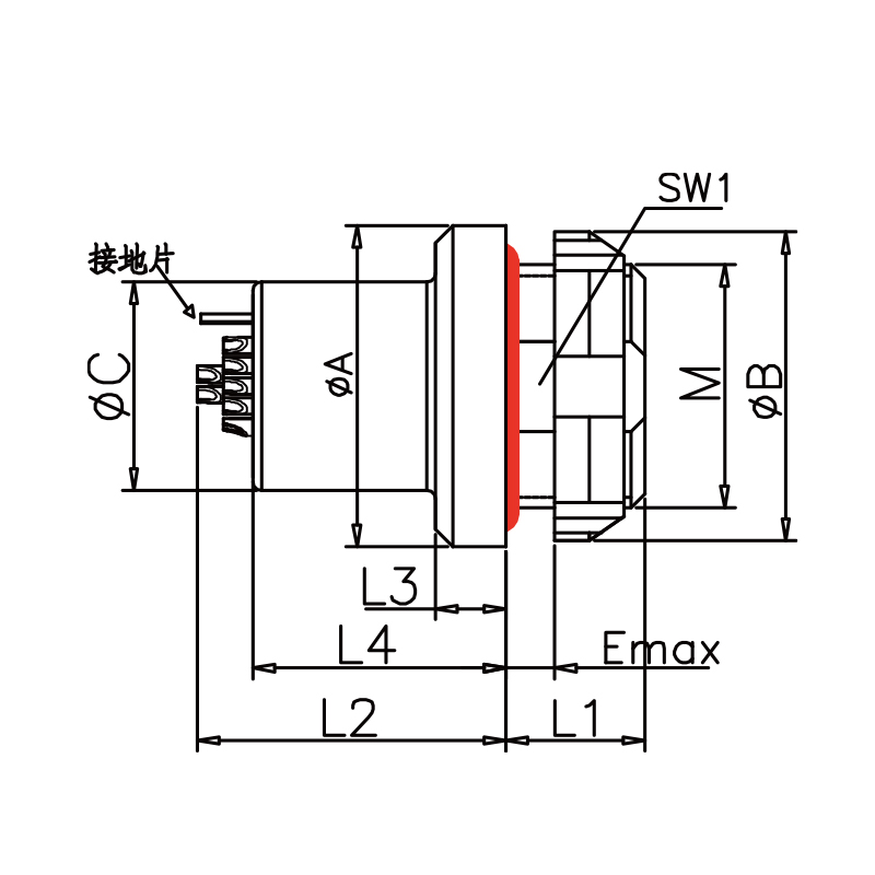
Dimensions


AMC series   G8

Dimensions(mm)

SizeInstallation

A

B

C

L1

L2

L3

L4

M

E

SW1


AMC Series

 0Y G8 receptacle



  • rear panel installation

  • Intermateable with AMC


15.5

15.0

10.0

6.5

15.5

3.0

11.5

M11*0.75

3.0

10


AMC Series

 1Y G8

receptacle


  • rear panel installation

  • Intermateable with AMC


18.5

17.9

12.0

8.0

19.0

4.0

14.5

M14*1

3.5

13

AMC Series

 AY G8

 receptacle

  • rear panel installation

  • Intermateable with AMC


18.9

17.9

14.0

7.0

17.7

2.5

12.5

M14*1

3.0

13


AMC Series

 2Y G8 receptacle


  • rear panel installation

  • Intermateable with AMC

20.8

21.9

14.5

8.0

21.5

4.0

15.0

M16*1

3.0

15




How to Select G8 Receptacle

Choosing the right G8 receptacle for your application involves considering several key factors:

  1. Determine Contact Requirements

    • Define how many pins are required for your device (2–26 contacts).

    • Choose based on power, signal, or mixed configurations.

  2. Check Mounting Style & Profile

    • Select low-profile receptacles for space-constrained applications.

    • Choose panel-mount or inline versions based on installation needs.

  3. Assess Application Environment

    • Use IP68-rated receptacles for waterproof and dustproof performance.

    • Opt for ruggedized models for military or outdoor communication systems.

  4. Match Cable Compatibility

    • Ensure the connector supports your cable’s outer diameter (from 5mm to 10.5mm).

  5. Consider Data & Power Needs

    • Select high-speed contacts for Ethernet-enabled or data-intensive applications.

    • Choose high-current pins for power distribution in field equipment.


Use the following selection table to quickly identify the right AMC Series Y G8 receptacle for your system:



AMC Series 0Y G8 or ZEA Receptacle


ParameterZEA.0Y.302.CLL.MZEA.0Y.303.CLL.MZEA.0Y.304.CLL.MZEA.0Y.305.CLL.MZEA.0Y.307.CLL.MZEA.0Y.309.CLL.MZEA.0Y.310.CLL.M
InsertAMC Series YG8 receptacleMiniature receptacleAMC Series YG8 receptacleMiniature receptacleAMC Series Y
No. of Contacts23457910
DescriptionCompact 2-pin G8 receptacle for signal input3-pin Miniature  receptacle for low-power applications4-pin circular receptacle for control signals5-pin receptacle for communication devicesRugged 7-pin low profile connector receptacle 9-pin  Multi-contact receptacle for mixed signals10-pin  High-contact circular receptacle for versatile applications
ApplicationUsed in portable electronics and sensorsSuitable for small communication devicesFor control panels and compact controllersApplied in field communication hubsUsed in industrial-grade electronicsFor multi-signal communication terminalsIdeal for ruggedized portable systems







AMC Series 1Y G8 or ZEA Receptacle


ParameterZEA.0Y.302.CLL.MZEA.0Y.303.CLL.MZEA.0Y.304.CLL.MZEA.0Y.305.CLL.MZEA.0Y.307.CLL.MZEA.0Y.309.CLL.MZEA.0Y.310.CLL.M
InsertG8 receptacleMiniature receptacleAMC Series YG8 receptacleAMC Series YAMC Series YAMC Series Y
No. of Contacts23457910
DescriptionCompact 2-pin G8 receptacle for signal input 3-pin Miniature receptacle for low-power applications4-pin circular receptacle for control signals5-pin receptacle for communication devices7-pin Rugged  rcircular receptacle for industrial systems9-pin High-contact circular receptacle for mixed signals10-pin High-contact circular receptacle for versatile applications
ApplicationUsed in portable electronics and sensorsSuitable for small communication devicesFor control panels and compact controllersApplied in field communication hubsUsed in industrial-grade electronicsFor multi-signal communication terminalsIdeal for ruggedized portable systems







AMC Series AY  G8 or ZEA  ZEA Receptacle


ParameterZEA.AY.310.CLA.50ZEA.AY.319.CLB.50ZEA.1Y.PD8.CLL.M
InsertAMC Series YAMC Series YG8 receptacle
No. of Contacts10198
Description10-pin rugged low profile connector receptacle for panel installation19-pin high-density receptacle for complex signal routingHigh-speed 8-pin receptacle for Ethernet applications
ApplicationFor communication panels and field hubsApplied in military-grade multi-signal systemsUsed in high-speed networking and automation






AMC Series 2Y  G8 or ZEA Receptacle


ParameterZEA.2Y.306.CLL.MZEA.2Y.319.CLL.MZEA.2Y.326.CLL.MZEA.2Y.304.CLL.MZEA.2Y.PD8.CLL.MZEA.2Y.PDM.CLL.MZEA.2Y.PD16.CLL.M
InsertMiniature receptacleAMC Series YG8 receptacleAMC Series YAMC Series YG8 receptacleMiniature receptacle
No. of Contacts61926781216
Description6-pin low profile connector receptacle for low-voltage systems19-pin multi-signal connector for rugged panels26-pin high-density connector for large communication arrays7-pin low profile connector receptacle  for industrial hubs8-pin high-speed connector for data systems12-pin low profile connector receptacle  for versatile applications16-pin receptacle for HDMI and advanced interface support
ApplicationUsed in automation panelsFor rugged communication devicesApplied in large-scale signal control systemsSuitable for field-deployed hubsHigh-speed data communicationUsed in power and control circuitsFor multimedia and HDMI-enabled devices



Production & Availability:

Our G8 receptacle series is backed by:

  • In-house tooling and precision machining

  • Mass production capacity with consistent output

  • Fast delivery from existing inventory

  • Support for OEM customization and technical matching

AMC Series Y


Whether you're integrating into new systems or replacing existing  AMC connectors, the Mil Spec Replacement AMC Y G8 series delivers both performance and value in one rugged solution.



 Specification



Maximum Humidity:

up to 95% at 60°/140°F

Locking type:

push pull

Endurance:

5000 cycles

Shock resistance:

100g,6ms

Salt spray corrosion test:

96hr

Resistance to Vibration:

15g[10Hz~2000Hz]

Shielding Efficiency:

75dB(10MHz) 40dB(1GHz)

Working Temperature:

-55°~+200°

Connector Series:

AMC series Y  G8 

Gender:

AMC series G8 receptacle

Oreentation type:

Straight

Insulation material:

PPS/PEEK/PTFE/PPSU

Shell material:

 aluminum alloy

Test Voltage (contact-contact):

1450

Test Voltage (contact-shell):

1000

Insulation resistance:

≥5000MQ 600V DC

Contact resistance:

6.5

IP rating:

IP68

  


 

 

Linkhive  AMC  Series Circular Miniature Connector Connector Selection

Use the comparison table below to explore the main  AMC series in the IP68  for outdoor hash enviroment and military,  find the model best suited to your specific application needs.

 

G8 receptacle

    AMC (Y)

Miniature receptacle

AMC High Density (W)

AMC Series Y

AMC EASY CLEAN( Y)

G8 receptacle

MINI SNAP ( F)

Pin-and-groove mechanical coding 

Breakway / push pull

 high-speed data transmission

 -IP68  rated for harsh environment protection

-rugged circular miniature connector

- Extremly Minature connector and Compact 

- high-contact density design. 

- Supports high-speed data

- Break-Away

- optional dual-locking. 

- IP6K8 rated. 

Spring-loaded contacts for easy cleaning and dirt resistance.

Break-Away function. 

Rated IP6K8 / IP6K9K for harsh environments.

-rugged and solid miniature connector

- Push-pull self-latching connector with durable metal housing
- Multiple contact configurations and custom combinations available

- IP50/IP68 protection for harsh enviroment.

- rugged circular miniature connector

  • What kinds of product can you provide?

    Push-pull connectors, military connectors, hybrid connectors, bayonet connectors, custom connectors, cable assembly, and etc.

  • Are you a fatory or trade company?

    We are manufacturer of connectors and cables with 10 years experience.

  • What about the leading time?

    If there's stock, we ship the goods within 3-5 working days after the deposit is confirmed. Or else, it depends on the quantity you need.

  • What's your strength in logistics?

    International express, by air or by sea, we can give your cost-saving suggestions. Shipment cost saving means your purchasing cost reducing.

Get the latest price and catalogue? We will reply as soon as possible (within 12 hours)