IP68 MINI G8 SNAP F Series Circular Connector Receptacle
The IP68 MINI G8 SNAP F Series Circular Connector Socket is a rugged panel mount receptacle engineered for harsh environments requiring compact and high-reliability connections. Featuring a robust metal housing and intuitive push-pull self-locking system, this connector receptacle ensures secure mating and prevents accidental disconnection.
Designed for demanding indoor and outdoor applications, this IP68 receptacle offers full protection against dust and long-term submersion. Fully compatible with MINI SNAP systems, it supports various termination types and contact configurations. Its circular socket design allows for blind mating, making it ideal for industrial automation, medical devices, and defense electronics.
With LINKHIVE’s in-house cable assembly, cleanroom production, and rapid delivery capacity, the MINI G8 SNAP F Series Circular Connector Socket guarantees excellent performance and fast turnaround for global OEM partners.
MAIN FEATURES:
◪Secure Push-Pull Self-Latching System
◪Wide Multipole Range: Available with 2 to 27 contacts for versatile applications.
◪Flexible Contact Options
◪High Packing Density
◪Multiple Key Options
◪Precision Keying System
◪Internal semicircular ring positioning to avoid wrong insertion.
◪360-degree shielding provides all-round EMC protection
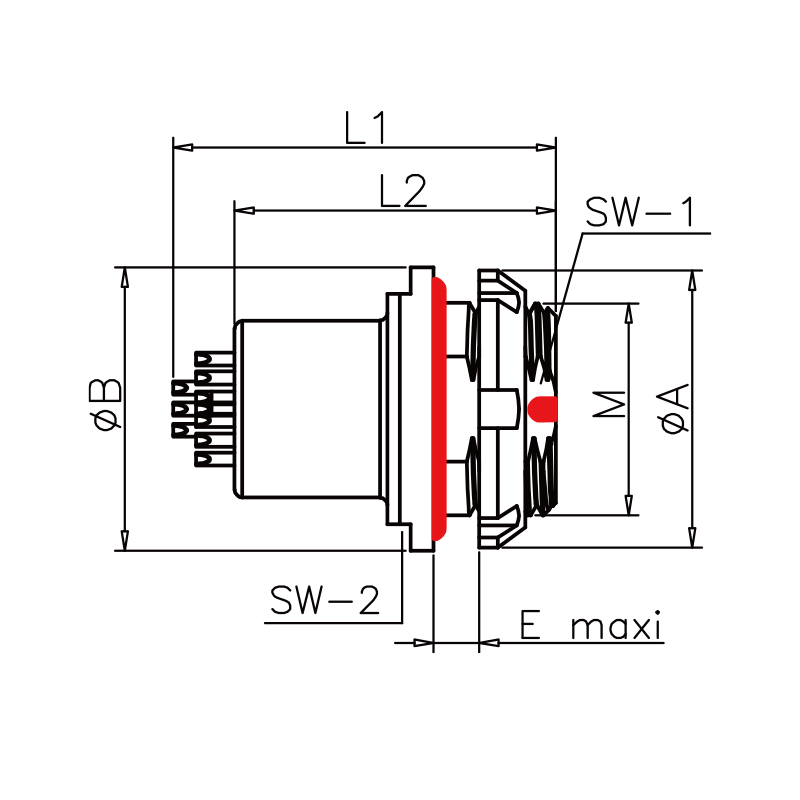
Dimensions

Size | IP68 receptacle Dimensions(mm) |
A | B | L1 | L2 | M | E | SW1 | SW2 |
0F | 14 | 12 | 21 | 17 | M9*0.5 | 3.5 | 8.2 | 11 |
1F | 18 | 18 | 26 | 21 | M14*1.0 | 3 | 12 | 15
|
AF | 19 | 18 | 23 | 20 | M14*1.0 | 3 | 12 | 15 |
2F | 22 | 20 | 26 | 23.5 | M16*1.0 | 4 | 14.3 | - |
3F | 27 | 25 | 30 | 24 | M20*1.0 | 5 | 18 | - |
Hermetic connector Contacts for F Series 102F

Hermetic connector Contacts for F Series 103F

Hermetic connector Contacts for F Series 1031F

Hermetic connector Contacts for F Series 105F


Hermetic connector Contacts for F Series 104F

IP68 MINI G8 SNAP F series circular socket and receptacle
Straingt plug | Panel Mounted plug | Right-angled Plug | Super shorty push pull plug | Lenyard Release plug | In line receptacle | circular socket |
IP50 plug S1 | IP50 AA | IP50 W1 | IP68 plug SS | IP68 TQ | IP50 K1 | IP50 G |

|

| 
| 
| 
| 
| 
|
IP50 plug S2 | IP68 plug AD | IP68 plug W2 | IP68 plug AS | P68 receptacle K2 | IP50 K2 | IP68 G2 |


| 
| 
| 
|

| 
| 
|
IP68 plug S3 | IP68 plug W4 | IP68 plug W3 | IP50 GK | IP50 GH | IP68 K1 | IP68 G4 |

| 
| 
|  |  | 
|

|
IP68 plug S4 |
| IP68 G8 | IP50 G5 |

| 
| 
|
MINI G8 SNAP F Series Circular connector IP68 receptacle
Application
The MINI G8 SNAP F Series IP68 receptacle is ideal for:
• Medical equipment – portable imaging, diagnostics
• Industrial automation – sensors, controllers
• Defense electronics – rugged comms modules
• Test & measurement – handheld meters, lab tools
• Outdoor electronics – LED systems, surveillance
Its IP68 receptacle ensures long-term durability in wet, dusty, and vibration-prone conditions, while the compact circular design enables easy blind mating for tight-space installations.

Specification
Maximum Humidity: | up to 95% at 60°/140°F |
Locking type: | push pull |
Endurance: | 5000 cycles |
Shock resistance: | 100g,6ms |
Salt spray corrosion test: | 96hr |
Resistance to Vibration: | 15g[10Hz~2000Hz] |
Working Temperature: | -55°~+125° |
Connector Series: | compatible with mini snap series F G8 |
Shielding Efficiency: | 75dB(10MHz) 40dB(1GHz) |
Gender: | IP68 receptacle |
Insulation material: | PPS/PEEK/PTFE/PPSU |
IP rating: | IP50/IP68 |